other
Prodotti
Casa interruttore Interruttore a scorrimento Interruttore a scorrimento 4P2T a 2 corse ad angolo retto

Interruttore a scorrimento 4P2T a 2 corse ad angolo retto

L'interruttore a scorrimento 4P2T controlla simultaneamente quattro circuiti indipendenti con due stati di commutazione stabili, consentendo una selezione efficiente dei circuiti multi-percorso in applicazioni compatte.

  • Marca:

    Gangyuan
  • Oggetto numero.:

    SK42D02-EG4
  • Ordine (MOQ):

    1000
  • Pagamento:

    100% before production
  • Origine del prodotto:

    Wenzhou
  • Colore:

    Black
  • Porto di spedizione:

    Ningbo or Shenzhen
  • Tempi di consegna:

    7-15 working days
  • Larghezza

    15.00mm x 4.70mm
  • Tipo di montaggio

    Right Angle
  • llilluminazione

    Non-llluminated
  • Grado di protezione IP

    No IP Rating
  • Dettagli del prodotto

Interruttore a scorrimento in miniatura montato su PCB


Specifiche tipiche


Tipo: Interruttori a scorrimento passanti

Valori nominali: 0,3 A 50 V

Forza operativa: 250±100gf

Corsa completa: 2±0,2 mm

Durata operativa: 10.000 cicli

Manopola dell'interruttore a scorrimento: 4 mm

Intervallo di temperatura di funzionamento: -20℃~70℃


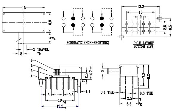
Dimensioni dell'interruttore a scorrimento

Interruttore a scorrimento Micro 2P2T


Caratteristica


Caratteristiche principali dell'interruttore a scorrimento 4P2T (conciso e combinato)


1. 4 circuiti controllati (4P - 4 poli)

Gestisce simultaneamente quattro circuiti indipendenti, ideale per applicazioni multi-percorso complesse.

2. 2 Posizioni stabili (2T - 2 Lancio)

Offre due stati di commutazione fissi (ad esempio, ON/OFF o selezione della modalità), garantendo un routing del circuito affidabile.

3. Controllo multi-percorso preciso

Consente la commutazione simultanea di 4 circuiti in 2 configurazioni, comunemente utilizzato nei sistemi industriali, audio o automobilistici.

4. Compatto e durevole

Design salvaspazio con meccanica di scorrimento robusta, adatto per un utilizzo ad alta frequenza o in ambienti difficili.

5. Applicazioni versatili

Ideale per dispositivi multicircuito come controller LED, driver motore o router di segnale.



lasciate un messaggio

Se Sei interessato ai nostri prodotti e vuoi sapere più dettagli, ti preghiamo di lasciare un messaggio qui, ti risponderemo non appena saremo

prodotti correlati
 Slide Switch
Interruttore a scorrimento SPDT passante

Struttura semplice, corpo mini, 3 terminali, maniglia verticale, 1 polo, 3 posizioni, attuatore con manopola scorrevole.

Slide Switch
Mini interruttore a scorrimento orizzontale 3 posizioni

Interruttore a scorrimento orizzontale, manopola di onda o forma V, 1 Palo 3 Posizione, PCB montaggio.

Slide Switch
Superficie Mount SMD Interruttore a scorrimento

SMD Tipo Interruttore a scorrimento, corpo in miniatura, facilmente maniglia, terminale di design per montaggio superficiale con 2 posizioni, funzionante per bobina Imballaggio.

Slide Switch
SPDT Mini interruttore a scorrimento con manopola bianca

Manopola bianca azionato laterale, un polo due tiro, PCB Design di montaggio, 3 terminal, adottabile in Reel Imballaggio.

Slide Switch
2p3t laterale azionato SMD Interruttore a scorrimento

Manopola azionato laterale, 2p3t Tipo, 8 Terminali, Mini forma per PCB, anche un grande componente per fai da te.

slide switch
2p3t mini switch slide per prodotti audio

2p3t Mini switch switch per prodotti audio,Struttura facile, mini corpo, 8 terminal, maniglia verticale, 2 pole 2 posizione, manopola scorrevole Attuatore.

slide switch
6 Posizione per PCB MINI SMD Interruttore a scorrimento

MSK-01-B: 7.1mmx3.5mm, 180GF, 2p2t Tipo Slide Interruttore.

slide switch
Mini mini PCB SMD DC6V 2p3t Interruttore a scorrimento

MSK-01Q: 9.9mmx3.2mm , 180GF / 250GF, 2p3t Tipo Slide Interruttore.

Diritto dautore © 2026 Wenzhou Gangyuan Electronics Co., Ltd.. Tutti i diritti riservati. Fornito da

Rete IPv6 supportata

superiore

lasciate un messaggio

lasciate un messaggio

    Se Sei interessato ai nostri prodotti e vuoi sapere più dettagli, ti preghiamo di lasciare un messaggio qui, ti risponderemo non appena saremo

  • #
  • #
  • #
  • #
    Aggiorna limmagine